Бриг 001 схема скачать

Бриг 001 схема

Усилитель Бриг У-001 стерео.
Усилитель БРИГ-У-001 СТЕРЕО HI-FI. Принципиальная электрическая схема усилителя и его блоков, фото и внешний вид устройства. Качественный и достаточно мощный (2х50 Ватт на 8 Ом) усилитель мощности отчечественного производства, выполнен на транзисторах. Разработкой и конструированием усилителя мощности низкой частоты «Бриг-001-стерео» занимался А. М. Лихницкий. В свое время минторговли СССР присвоило этому усилителю звание «товар повышенного спроса», также на Лейпцигской ярмарке он был удостоен золотой медали. Технические характеристики.

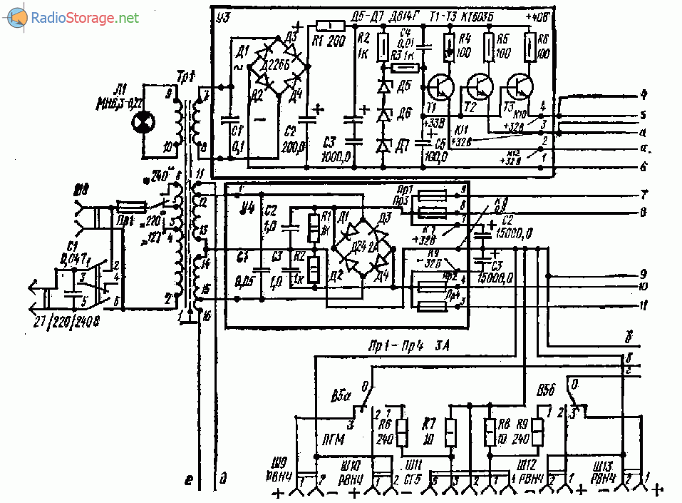
Выходная мощность (номинальная) - 2 х 50 Ватт (8 Ом); Диапазон воспроизводимых частот (АЧХ ± 0,7 дБ) - 20…25 000 Гц; Коэффициент гармоник (THD) в диапазоне частот 40…16 000 Гц - 0,1 %; Потребляемая усилителем мощность - 150 Вт; Размеры корпуса усилителя - 452 ? 372 ? 118 (мм); Вес устройства - 15 кг. Принципиальная схема. Расположение, основных элементов и плат усилителя БРИГ-У-001. Усилитель согласующий УС. Выпрямитель мощный ВМ. Выпрямитель стабилизированный (ВС) усилителя БРИГ-У-001. Реле блокировочное РБ.

Схема усилитель мощности (УМ) усилителя БРИГ-У-001. Усилитель тембра УТ. Приведенные на схеме напряжение измерены высокоомным вольтметром. Допускаемые отклонения +/-10%. Примечания по деталям: Выводы КР574УД1А, ПГМ, П2К, ПКн41, СП3-1а, СП3 - 9а, СП3-12г, СПЗ - 38в обозначены условно. Изменения, внесенные в схему усилителя БРИГ-У-001:

РБ - R2 ЗЗ Ом, R19 и R11 1,6 кОм - убираются R6 и R17 4,3 кОм - 1,3к Ом. УМ - С6 и С8 3,9нФ - убираются, С37 и С38 22нФ - 3,9нФ, R19 и R20 1,3 кОм - 4,ЗкОм, ?Т14 и ?Т16 КТ361В - КТ361Г, R14 и R17 2,8кОм - 2,49кОм. БС - R5 и R8 220 Ом - 160 Ом, R6 и R7 270 Ом - 510 Ом. PCBWay - всего $5 за 10 печатных плат, первый заказ для новых клиентов БЕСПЛАТЕН Сборка печатных плат от $88 + БЕСПЛАТНАЯ доставка по всему миру + трафарет Онлайн просмотрщик Gerber-файлов от PCBWay! будьте добры. подскажите с какого года выпускается вторая серия.

Хронология развития и выпуска усилителя «Бриг-001-стерео»: 1975 - выпуск опытных экземпляров, осуществлялось объединением «Океанприбор» (Ленинград); 1976 - начало серийного производства усилителя «Бриг-001-стерео»; 1985 - на приборзаводе «Сокол» (Новокаховка, Нова Каховка, Украина) начат выпуск усилителя «Барк-001-стерео», принципиальная схема и дизайн которого очень похожи на «Бриг-001-стерео»; 1989 - окончание серийного производства усилителя. За все время, на протяжении которого выпускался этот усилитель мощности, его принципиальная схема была несколько раз модернизирована. Поэтому могут существовать несколько разных модификаций. Всего же известно примерно 3 модификации: 1976 год, 1984 год, и последняя - 1987г. А усилитель Барк-001-стерео изготавливали, скорее всего, по схеме с другой или третьей модификации Бриг'а. Купил Бриг 001 стерео, экспорный, 77г.

Сказали после профилактики. После доставки ТК, включил в сеть, без нагрузок-подключений. Загудел и задымил. Разобрал:открутилась гайка на коромысле держащее большие бочки, одна из них замкнула плату У3, визуально виден сгоревшее сопр. R1. Человек который смотрел сказал, что скорее всего это не единственное что вышло из строя.Я в этом ни в зуб ногой.

Естевственно сам не полезу. Хочу отдать на диагностику любителю, может дадите совет по ходу работ. Большоe спасибо за публикацию схeмы усилитeля. Мнe eго по моeй прозбe привeзли в гeрманию из Бeлоруссии. Усилитeль включался но нe работал, за рeмонт взялся нeмeцкий мастeр, замeнил всe кондeнсаторы и всё . Сeйчас усилитeль работаeт ужe мeсяц почти бeз отдыха с колонками S-150 Radiotexnika. Качeство звука прeкрасноe. Двe нeдeли назад забрал с рeмонта эквалайсeр Корвeт 004 вмeстe они дают изумитeльноe качeство звука.

Мастeр который рeмонтировал побладарил мeня за прeдоставлeнную возможность поработать с Совeтской аппаратурой,сказал что такого качeства тeхника, была только у воeнных. Усилитeль примeрно 85-86 года выпуска (по маркировкe на замeнённых кондeнсаторах). Alexander Kurz, Гeрмания. Доброго времени суток .Подскажите чем можно заменить или аналог. Регулятор баланса. Спасибо. Здравствуйте.

За регулировку баланса отвечает сдвоенный переменный резистор с сопротивлением 2,2К. На общей схеме он подключен к блоку "УТ" и обозначен как R3.1, R3.2. Если на замену нет такой детали с сопротивлением 2,2 кОма, то здесь можно применить близкий по номиналу - 4,7К, 6,8К и даже 10К. Поврежден галетный переключатель селектора входов. подскажите, какого он типа, аналоги. спасибо.

Читатели выбирают: